浙江省丽水市水阁开发区七百秧街132号
服务热线:
159-8801-0361
网站首页
关于纳川
公司简介
资质荣誉
公司视频
企业文化
资讯动态
公告发布
公司新闻
媒体动态
产品中心
精密线性滑轨系列
精密滚珠丝杆系列
行业应用
医疗器械
激光设备
高铁动车
健身器材
航空航天
招聘英才
联系我们
EN
EN
网站首页
关于纳川
公司简介
资质荣誉
公司视频
企业文化
资讯动态
公告发布
公司新闻
媒体动态
产品中心
精密线性滑轨系列
精密滚珠丝杆系列
行业应用
医疗器械
激光设备
高铁动车
健身器材
航空航天
招聘英才
联系我们
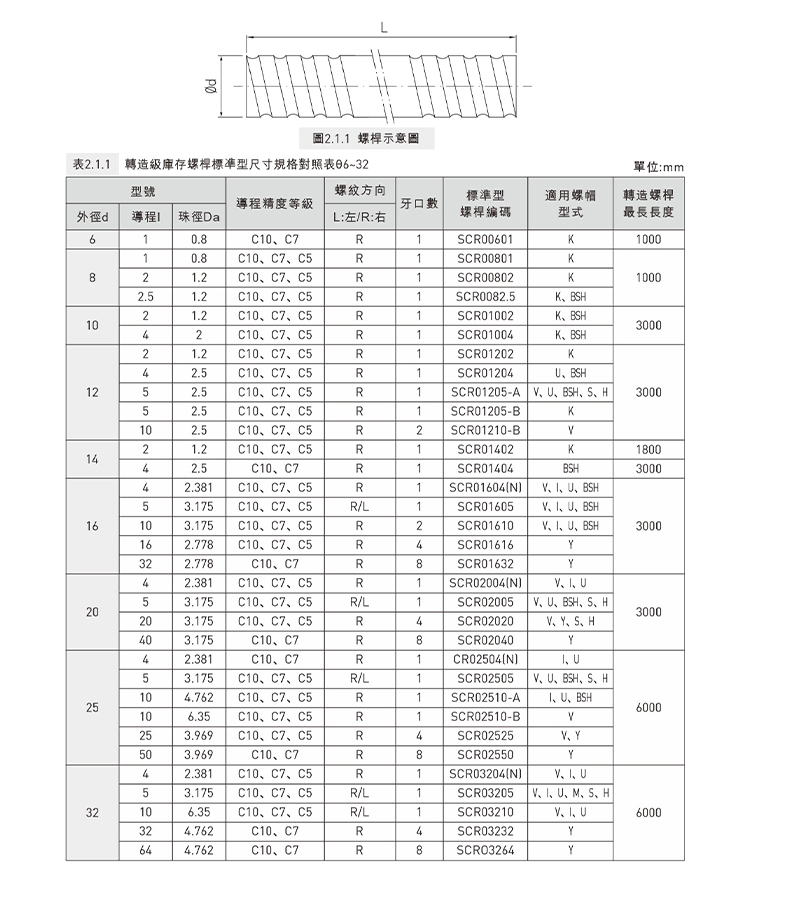
精密滚珠丝杆系列
网站首页
产品中心
精密滚珠丝杆系列
精密线性滑轨系列
精密滚珠丝杆系列
滚珠
时间: 2024-05-10
浏览量:
0
产品信息
上一个:
DFU系列
下一个:
直线导轨MSA系列